TWIST Buck Voltage example

Hello,

We tried example Buck Voltage mode Buck voltage mode - OwnTech Documentation Center

We are able to show help menu “h” and to toggle Idle mode and Power mode, but command Up or Down doesn’t have any effect to voltage output.

We used a 30 V power supply and resistor load - VSCode and platformio.

Serial monitor shows that reference value is changing but notthing is changing on output.

We have no idea about what is the issue and are looking for help.

Thanks.

1 Like

Hello Bertrand,

Thank you for creating this post and testing the boards.

Can you please post your code here or push it into a git branch somewhere. I can then test it locally and verify if the behaviour is the same.

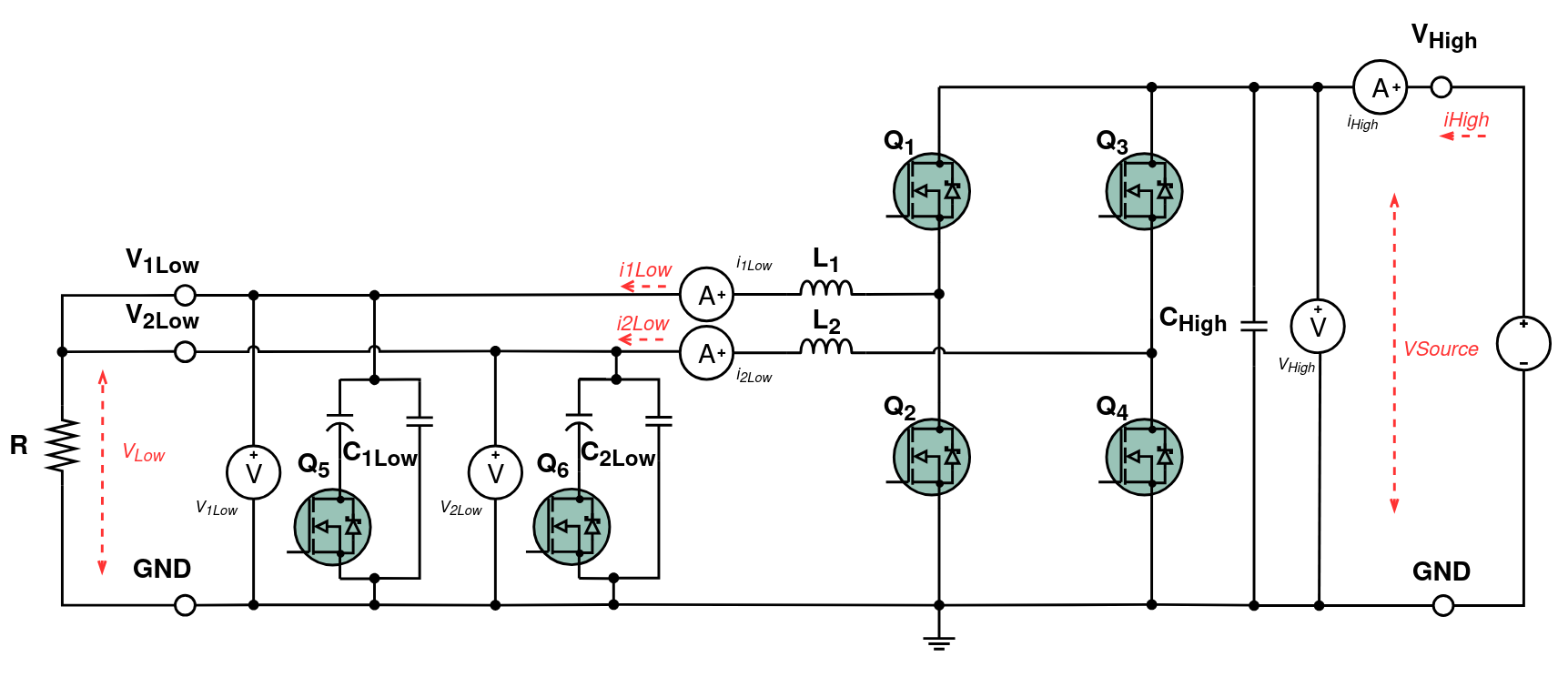
I am assuming that your case is :

With the following wiring diagram:

You can find these images here if you need (TWIST - OwnTech Documentation Center)

We finally managed to get the TWIST card working in Buck voltage and current mode. We still need to better understand how VScode and Platformio work.

They are indeed quite tricky.

The most important is to understand that platformio.ini has some parameters that you may use, but that will depend on the project.

Keep your questions coming.